上海吾爱论坛

你好的英文,服務惠臨樂清市春虹電子設備無線有限公司
樂清市春虹光電子美好公司的

泉源廠家, 撐持定制,知心折務,雙贏將來

世界洽談電活: 0577-61316969
接洽咱們
樂清市春虹電子無限公司
征詢熱線:18968817571
公司德律風:0577-61316969
公司地點:浙江省樂清市虹橋鎮模具中間二區D棟

帶燈輕觸開關選春虹

寰宇洽談德律風: 0577-61316969

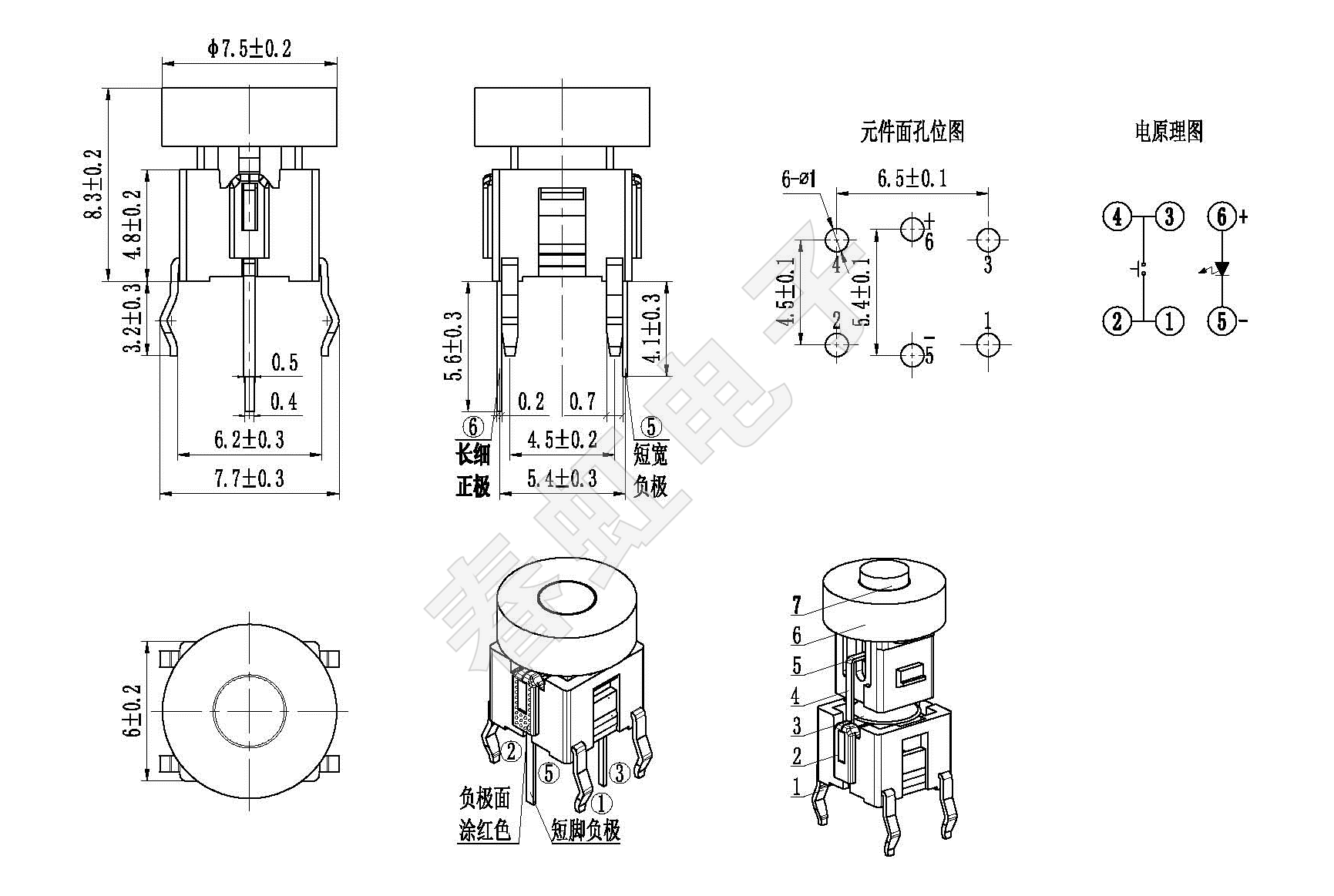
型號:KFCA0651-8.3H

天汽官階: -25°C至75°C上限值: 30V DC,30mA實戰電阻值: ≤0.05Ω耐額定電壓: 250V AC絕緣性電阻值: ≥100MΩ措施力: 260gf±50gf/160gf±50gf使用年限: 10W times鹽霧研究: 12±1 hours燈色:紅/藍/綠/白/紅藍白/紅綠等太陽帽分類整理:透孔/不透孔棉帽工序幾大類:人性/黑漆/銀漆/



產物概況

0651-4.png

創春虹品牌形象、創先爭優完善組織、完善道德品質、完善單位
0577-61316969